
![]() |
![]() |
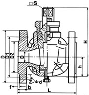
| 三通銅芯旋塞閥 | 三通銅芯旋塞閥 結構圖 |
| 型號 | 公稱壓力 PN(MPa) |
試驗壓力PS(MPa) | 適用介質 | 工作溫度(℃) | |
|---|---|---|---|---|---|
| 殼體 | 密封 | ||||
| X44T-1.0 | 1.0 | 1.5 | 1.1 | 水、蒸氣、油品 | ≤100 |
| 公稱壓力 PN(MPa) | 公稱通徑 DN(mm) | 尺寸(mm) | |||||||
|---|---|---|---|---|---|---|---|---|---|
| L | D | D1 | D2 | z-φd | □s | h | H | ||
| 1.0 | 25 | 145 | 115 | 85 | 56 | 4╳φ14 | 17 | 38 | 133 |
| 32 | 170 | 135 | 100 | 78 | 4╳φ18 | 18 | 45 | 152 | |
| 40 | 180 | 145 | 110 | 85 | 4╳φ18 | 24 | 55 | 212 | |
| 50 | 200 | 160 | 125 | 100 | 4╳φ18 | 28 | 74 | 260 | |
| 65 | 220 | 180 | 145 | 120 | 4╳φ18 | 32 | 82 | 295 | |
| 80 | 250 | 195 | 160 | 135 | 4╳φ18 | 40 | 95 | 327 | |
| 100 | 300 | 215 | 180 | 155 | 8╳φ18 | 45 | 135 | 425 | |
| 125 | 350 | 245 | 210 | 185 | 8╳φ18 | 54 | 154 | 482 | |
| 150 | 400 | 280 | 240 | 210 | 8╳φ23 | 62 | 172 | 512 | |
| 200 | 450 | 335 | 295 | 265 | 8╳φ23 | 75 | 195 | 605 | |
| 250 | 530 | 390 | 350 | 320 | 8╳φ23 | 85 | 230 | 660 | |
| 300 | 580 | 440 | 400 | 368 | 8╳φ23 | 100 | 263 | 760 | |
| 零件名稱 | 閥體 | 塞子 | 填料壓蓋 | 填料 |
|---|---|---|---|---|
| X44T-1.0 | 鑄鐵 | 鑄銅 | 鑄鐵 | 油浸石棉盤根 |